各型齿轮泵的性能参数,是在介质粘度4×10-3m2/s(40cSt)时确定的。性能参数表中给出的参数值适用(yòng)于介质粘度1×10-5~8×10-5m2/s(10~80cSt)范围内,超出这个范围则根据(jù)用户(hù)提出的性能(néng)参数要求另行确定(dìng)。
各型齿轮泵性能参数中给出的排出压力是给出的工作压(yā)力值大,在此范(fàn)围内泵均能正(zhèng)常工作,其工作范围见图一。
![]() |
※ 工作范围图
![]() |
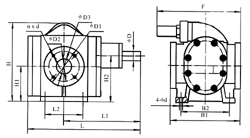
KCB18.3~83.3型泵外型、安装尺寸
![]() |
| 型号 | L | L1 | L2 | L3 | L4 | B | B1 | B2 | B3 | H | H1 | H2 | φD | G | 4-φd |
| KCB-18.3 | 217.5 | 35 | 80 | 115 | 16 | 192 | 150 | 120 | 66 | 136 | 90 | 69 | 20 | G3/4" | 16 |
| KCB-33.3 | 231 | 42.5 | 80 | 115 | 16 | 192 | 150 | 120 | 66 | 136 | 90 | 69 | 20 | G3/4" | 16 |
| KCB-55 | 246 | 50 | 80 | 115 | 16 | 192 | 150 | 120 | 66 | 136 | 90 | 69 | 20 | G1" | 16 |
| KCB-83.3 | 271 | 62 | 80 | 115 | 16 | 192 | 150 | 120 | 66 | 136 | 90 | 69 | 20 | G11/2" | 16 |
KCB200-960型泵外型、安装(zhuāng)尺寸
![]() |
|
型号
|
L
|
L1
|
L2
|
B1
|
B2
|
H
|
H1
|
H2
|
F
|
φD1
|
φD2
|
φD3
|
n×d
|
φD
|
4-φd
|
|
KCB-200
|
290
|
200
|
66
|
214
|
160
|
263.5
|
118
|
152.5
|
300
|
140
|
110
|
50
|
4-M12
|
28
|
13
|
|
KCB-300
|
354
|
230
|
90
|
225
|
180
|
308
|
128
|
170
|
318
|
155
|
123
|
70
|
6-M14
|
32
|
16
|
|
KCB-483.3
|
354
|
230
|
90
|
225
|
180
|
308
|
128
|
170
|
318
|
155
|
123
|
70
|
6-M14
|
32
|
16
|
|
KCB-633
|
415
|
270
|
120
|
280
|
175
|
385
|
188
|
205
|
380
|
190
|
158
|
100
|
8-M14
|
38
|
18
|
|
KCB-960
|
415
|
270
|
120
|
280
|
175
|
385
|
188
|
205
|
380
|
190
|
158
|
100
|
8-M14
|
38
|
18
|
KCB1200-9600型泵外型、安装尺寸
![]() |
| 型号 | L | L1 | L2 | B1 | B2 | B3 | H | H1 | H2 | φ1 | φ2 | φ3 | n-d | φD | 4-φd |
| KCB-1200 | 715 | 300 | 480 | 415 | 463 | 510 | 708 | 220 | 300 | 150 | 225 | 260 | 8-φ18 | 56 | 25 |
| KCB-1600 | |||||||||||||||
| KCB-1800 | 830 | 340 | 547 | 460 | 585 | 684 | 876 | 262 | 350 | 200 | 280 | 315 | 8-φ18 | 76 | 25 |
| KCB-2500 | |||||||||||||||
| KCB-2850 | 948 | 380 | 625 | 520 | 584 | 640 | 915 | 299 | 400 | 250 | 335 | 370 | 12-φ18 | 86 | 25 |
| KCB-3800 | |||||||||||||||
| KCB-4100 | |||||||||||||||
| KCB-5600 | 1085 | 345 | 700 | 500 | 600 | 740 | 1155 | 386 | 500 | 350 | 445 | 490 | 12-φ23 | 95 | 32 |
| KCB-7000 | |||||||||||||||
| KCB-7600 | |||||||||||||||
| KCB-9600 |
KCB-18.3~KCB-83.3外型(xíng)、安装尺寸及重量
![]() |
|
型(xíng)号
|
L
|
L1
|
L2
|
L3
|
L4
|
L5
|
H
|
H1
|
H2
|
H3
|
H4
|
B
|
B1
|
B2
|
B3
|
B4
|
A
|
G
|
重量(liàng)
Weight(kg) |
|
KCB-18.3
|
566
|
391
|
239
|
86
|
75
|
86
|
230
|
176
|
130
|
109
|
40
|
259
|
225
|
190
|
155
|
192
|
52
|
G3/4" |
62.15
|
|
KCB-33.3
|
618
|
416
|
256
|
86
|
82
|
93
|
285
|
186
|
140
|
119
|
50
|
279
|
245
|
190
|
180
|
192
|
52
|
G3/4" |
66.8
|
|
KCB-55
|
595
|
391
|
239
|
86
|
89.5
|
100.5
|
230
|
176
|
130
|
109
|
40
|
259
|
225
|
190
|
155
|
192
|
70
|
G1" |
64.15
|
|
KCB-83.3
|
652
|
416
|
256
|
94
|
102
|
113
|
285
|
186
|
140
|
119
|
50
|
279
|
245
|
190
|
180
|
192
|
78
|
G11/2" |
70.15
|
KCB-200~KCB-960外型(xíng)、安装尺寸及重(chóng)量
![]() |
|
型号
|
L
|
L1
|
L2
|
L3
|
L4
|
n×φ
|
H
|
H1
|
H2
|
H3
|
H4
|
B
|
B1
|
B2
|
B3
|
B4
|
D
|
D1
|
D2
|
n×d
|
重量
Weight(kg) |
|
KCB-200
|
709
|
577
|
419
|
58
|
90
|
4×φ16
|
355
|
314
|
168
|
202
|
50
|
326
|
290
|
240
|
190
|
214
|
φ50
|
φ110
|
φ140
|
4×M12
|
135
|
|
KCB-300
|
883
|
715
|
502
|
80
|
124
|
4×φ22
|
423
|
378
|
198
|
240
|
70
|
390
|
340
|
280
|
210
|
228
|
φ70
|
φ123
|
φ155
|
6×M14
|
173
|
|
KCB-483.3
|
972
|
795
|
565
|
890
|
124
|
4×φ22
|
465
|
378
|
198
|
240
|
70
|
450
|
400
|
290
|
255
|
228
|
φ70
|
φ123
|
φ155
|
6×M14
|
213
|
|
KCB-633
|
1074
|
901
|
629
|
100
|
145
|
4×φ22
|
500
|
455
|
258
|
275
|
70
|
450
|
400
|
285
|
255
|
280
|
φ100
|
φ158
|
φ190
|
8×M14
|
274.5
|
|
KCB-960
|
1099
|
900
|
635
|
100
|
145
|
4×φ22
|
525
|
455
|
283
|
275
|
70
|
470
|
420
|
285
|
285
|
280
|
φ100
|
φ158
|
φ190
|
8×M14
|
304.5
|























